Составление схем тепловых сетей, тепловых узлов, сетей водоснабжения и канализации

Организации часто сталкиваются с проблемами в виде отсутствия актуальных схем тепловых сетей, сетей водоснабжения и водоотведения.

Ежегодно, организации имеющие в собственности теплоисточник, тепловую сеть, систему теплопотребления, и организации, осуществляющие эксплуатацию жилищного фонда, к работе в осенне-зимний период, должны проводить мероприятия по подготовке к осенне-зимнему отопительному периоду (ОЗП). Подготовка к отопительному сезону это комплекс мероприятий, направленный на обеспечение устойчивой и надежной работы теплоисточников, тепловых сетей и систем теплопотребления в осенне-зимний период.
В ходе подготовки к ОЗП также возникает необходимость в актуализации схем теплоснабжения, инструкций по эксплуатации и ТБ

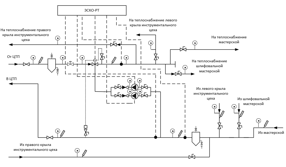
Схема теплосети Схема теплового узла

Мы производим обследование, систем теплоснабжения, водоснабжения и канализации, и составляем фактические действующие схемы данных систем.

Схемы в зависимости от назначения могут содержат следующую информацию:
- характеристика трубопроводов: диаметр; длина; способ прокладки; тип изоляции; год прокладки;
- температурный график теплоснабжения;
- данные по присоединенным потребителям: тепловые нагрузки; схемы подключения; год постройки, и т.д.;
- информация по техническим характеристикам теплоисточников, насосных станций, водозаборов, и очистных сооружений.

Если вам необходимо выполнить подобные работы или проконсультироваться - позвоните нам:
или напишите нам: